
A History and Future in Seeds
This article is part of the second issue of "The Sauce - on food, community and inspirations", a theme-based journazine, with SEEDS as the theme for this second issue. The inaugural issue on SOIL has a print and online edition available here.

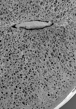
ALTERNATIVE PERSPECTIVES: The cross-section of Vigna Mungo (Black gram/Urad Bean) that is commonly used in Indian cooking seen under the Scanning Electron Microscope as part of an archaeological study. The significance of seeds is not confined solely to the realm of biology.
Seeds have been a constant companion in the course of human development. Whether as subsistence, artefact, politicised resource – one need only look back at our history with seeds to get a glimpse of humanity’s past and present. As we slip towards an uncertain future, we should revisit seeds and our relationship with them.
Sorry, but this article is for Sauciers only. Enter your access code or get online access to this issue of The Sauce to read the rest of this article.
Dig Around
Contact Us
Drop us an email or DM on Instagram if you would like to give us feedback, support us in any way, or just to connect!
Foodscape Collective
Foodscape Collective is a ground-up community with a mission to co-create a fair and inclusive circular food system for all. We work together to create communities and livelihoods through collaborative and supportive practices.
Copyright (C) 2023 - Foodscape Pages. All Rights Reserved







